SECTION B
Factors From Differential Elements to Finite Areas
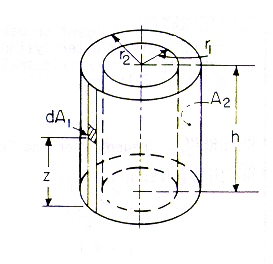
B-56: Element on strip inside cylinder to entire interior surface of outer concentric right circular cylinder.
Reference: Leuenberger and Person, 1956 Corrected for missing factor of 1/2
Definitions: R=r2/r1; H=h/r1; Z=z/r1; A=R2-1; B=(H-Z)2
Governing equation:
To download a copy of this equation in MS Word 97 Format, click HERE.